create a web page for free

Informações - O que é CLP ?

O que é CLP ?

Sigla de Controlador Lógico Programável, o CLP é um equipamento eletrônico principalmente destinado a realizar o controle de máquinas ou processos industriais.

CLP

Segundo Silveira (1998), a Revolução Industrial estabeleceu um marco transitório de uma sociedade predominantemente agrícola e organizada na produção de bens de consumo de forma artesanal, para uma sociedade industrialmente mais produtiva, voltada ao consumo e organizada dentro de um novo modelo econômico de sucesso financeiro associado às novas técnicas contábeis e ao mercado de capitais.

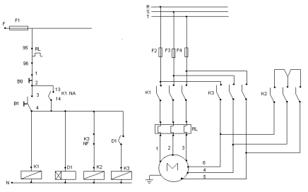
Diagrama Relê


Segundo Franchi (2008) , a partir de 1920, os dispositivos mecânicos criados com o advento da Revolução Industrial foram substituídos por relés (figura) e contatores.

Diagrama de Lógica de Relês

 A criação da lógica de relés (figura), viabilizou o desenvolvimento de funções de controle mais complexas e sofisticadas. Segundo Silveira (1998) a utilização de relés eletromecânicos foram os recursos mais utilizados para efetuar controles lógicos e de intertravamentos na linhas de produção em máquinas isoladas até o fim da década de 60. 

Com o advento dos dispositivos microprocessados, surgiram os PLCs , Programmable Logic Controller, ou Controlador Lógico Programável (CLP) em português. Segundo Franchi (2008) os CLPs tiveram suas primeiras aplicações na Hydronic Division da General Motors em 1968, devido a grande dificuldade de mudar a lógica de controle de painéis de comando (figura) a cada mudança na linha de montagem. Segundo Miyagi (1996), as substituições de peças em casos de manutenção, tornavam-se difíceis, ou até mesmo impossíveis. 

Mobirise

Conforme Coretti (1998) ao final da década de 70, os CLPs já são amplamente utilizados por grande parte da industria e oferecem recursos de comunicação que permitem a interligação com controladores distantes, caracterizando um sistema integrado de fabricação e operação.

Segundo Prudente (2013), o CLP é constituído por três componentes fundamentais:

  1. Unidade de Entrada e Saída - A unidade de entrada e saída é a interface entre a unidade central e o processo a ser automatizado. Segundo Bolton (2006), a unidade de entrada e saída é quem faz a conexão física do CLP com os equipamentos do chão de fábrica.
  2. Unidade Central - A unidade central é a que organiza e executa todas as funções de controle (programa). Segundo Moraes e Castrucci (2007), a "unidade central" é responsável pela execução do programa do usuário, atualização da memória de dados e da memória-imagem das entradas e saídas. Segundo Halang (1992), o CLP executa um programa seqüencialmente, função por função.
  3. Unidade de programação - Dispositivo que permite escrever o programa na unidade central.

Ainda seguindo a definição de PRUDENTE (2013) mas procurando representar as funções dos componentes do CLP de modo mais intuitivo, podemos separar a unidade de entrada e saída em módulos distintos, e caracterizar a unidade central como sendo o módulo que executa o programa do usuário. Dessa forma, chegamos à representação definida na figura ao lado.

Estrutura CLP

Os circuitos de entrada recebem informações (sinais elétricos) do sistema por meio de uma ação muscular, mecânica, elétrica, eletrônica ou uma combinação entre elas, sempre detectados por elementos sensores como botoeiras, chaves fim-de-curso, sensores de proximidade, sensores potenciométricos, pressostatos, termopares, termostatos, chaves de nível, entre outros. Segundo Natale (2003), sensores são dispositivos que mudam seu comportamento sob a ação de uma grandeza física.

Os circuitos de saída enviam informações (sinais elétricos) para o sistema com a finalidade de realizar um trabalho elétrico, mecânico, pneumático, hidráulico ou apenas uma sinalização visual ou sonora. Os circuitos de saída são ligados a elementos atuadores como relés, contatores, solenóides de válvulas, cilindros, válvulas de controle proporcional, inversores de frequência, motores, lâmpadas e sirenes, entre outros. 

Referências Bibliográficas:

  • SILVEIRA, P.R. Automação e controle discreto. Editora Érica, 1998, 252p
  • FRANCHI, C.M. Controladores Lógicos Programáveis - Sistemas Discretos. Editora Érica, 2008, 352p
  • MIYAGI, P.E. Controle Programável - fundamentos do controle de sistemas e eventos discretos. 1a Edição - São Paulo: Edgar Bluncher, 1996, p25
  • CORETTI, J.A. Manual de Treinamento Básico de Controlador Programável - Sertãozinho, Centro de Treinamento SMAR, 1998
  • PRUDENTE, F. Automação Industrial. PLC. Teoria e Aplicações. Editora LTC, 2013, 316p
  • MORAES. CASTRUCCI. Engenharia de Automação Industrial. Editora LTC, São Paulo, 2007, p.31
  • HALANG, W.A. Real-Time Systems, World Scientific, Singapore, 1992
  • NATALE, Ferdinando. Automação Industrial. São Paulo, SP, Editora Érica. 2003.
Imagem Autor

Engenharia do Produto
Branqs Automação

Tels: +55 (13) 3296-1369 - +55 (13) 99169-4276 (Whats)
© Copyright 2021 Branqs - Todos os direitos reservados